ТУ 4228-010-04697185-97
Предназначен для измерения и учета электроэнергии по одному тарифу.
Класс точности: 1.
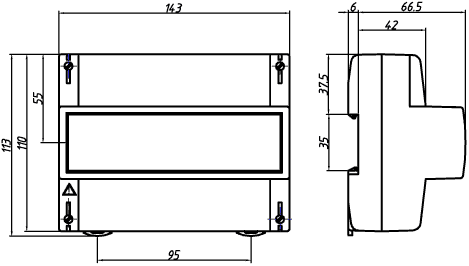
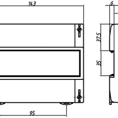
Корпус Р31 - для крепления на din-рейку.
Соответствует стандарту размещения оборудования на рейку. Обеспечивает размещение в электрощитах наряду с другими видами оборудования.
Другие исполнения корпуса: Р32
Нормативно-правовое обеспечение
- ГОСТ 31818.11-2012 (IEC 62058-11-2012)
- ГОСТ 31819.21-2012 (IEC 62058-21-2012)
Характеристики надежности
- Средняя наработка на отказ — 220000 часов
- Межповерочный интервал — 16 лет
- Средний срок службы — 30 лет
- Гарантийный срок (срок хранения и срок эксплуатации суммарно) - 4 года с даты выпуска для счетчиков, произведенных до 01.05.2019 г.
- Гарантийный срок (срок хранения и срок эксплуатации суммарно) - 7 лет с даты выпуска для счетчиков, произведенных c 01.05.2019 г.
Особенности электросчетчика
- Модификации для прямого и полукосвенного включения.
- Монтаж в стандартные щитки на DIN-рейку.
- Исполнения с механическим отсчетным устройством или ЖКИ.
- Исполнения с датчиками магнитного поля и вскрытия крышки клеммной колодки.
- Улучшенные значения стартового тока.
- Малое собственное энергопотребление.
- Стандартный телеметрический импульсный выход.
- Устойчивость к климатическим, механическим и электромагнитным воздействиям.
- Привлекательная цена.
| Модификация |
Счетчик электрической энергии ЦЭ6803В 1 230В 1-7,5А 3ф.4пр. М7 Р31
Технические характеристики модификации: |
||
| ЦЭ6803В | Модель | |
| Р31 | Тип корпуса | |
| 1 | Класс точности | 1 |
| 230В | Номинальное напряжение, В | 3x230/400 |
| 1 | Номинальный (базовый) ток, А | 1 |
| 7,5A | Максимальный ток, А | 7,5 |
| 3ф.4пр. | Схема включения | для трехфазных четырехпроводных счетчиков |
| M7 | Тип отсчетного устройства | Семиразрядное механическое |
Счетчик электрической энергии ЦЭ6803В 1 230В 1-7,5А 3ф.4пр. Э Р31 F
Технические характеристики модификации: |
||
| ЦЭ6803В | Модель | |
| Р31 | Тип корпуса | |
| 1 | Класс точности | 1 |
| 230В | Номинальное напряжение, В | 3x230/400 |
| 1 | Номинальный (базовый) ток, А | 1 |
| 7,5A | Максимальный ток, А | 7,5 |
| 3ф.4пр. | Схема включения | для трехфазных четырехпроводных счетчиков |
| Э | Тип отсчетного устройства | Дисплей (ЖКИ) |
Дополнительные функции: |
||
| F | Датчик магнитного поля | |
Счетчик электрической энергии ЦЭ6803В 1 230В 10-100А 3ф.4пр. М7 Р31
Технические характеристики модификации: |
||
| ЦЭ6803В | Модель | |
| Р31 | Тип корпуса | |
| 1 | Класс точности | 1 |
| 230В | Номинальное напряжение, В | 3x230/400 |
| 10 | Номинальный (базовый) ток, А | 10 |
| 100A | Максимальный ток, А | 100 |
| 3ф.4пр. | Схема включения | для трехфазных четырехпроводных счетчиков |
| M7 | Тип отсчетного устройства | Семиразрядное механическое |
Счетчик электрической энергии ЦЭ6803В 1 230В 5-60А 3ф.4пр. М7 Р31
Технические характеристики модификации: |
||
| ЦЭ6803В | Модель | |
| Р31 | Тип корпуса | |
| 1 | Класс точности | 1 |
| 230В | Номинальное напряжение, В | 3x230/400 |
| 5 | Номинальный (базовый) ток, А | 5 |
| 60A | Максимальный ток, А | 60 |
| 3ф.4пр. | Схема включения | для трехфазных четырехпроводных счетчиков |
| M7 | Тип отсчетного устройства | Семиразрядное механическое |
| ЦЭ6803В Р31 | X | X | X | X | X | X | X | ||||||||
|---|---|---|---|---|---|---|---|---|---|---|---|---|---|---|---|
Дополнительные функции: F - Датчик магнитного поля | |||||||||||||||
Тип отсчетного устройства: M7 - Семиразрядное механическое Э - Дисплей (ЖКИ) | |||||||||||||||
Схема включения: 3ф.4пр. - для трехфазных четырехпроводных счетчиков 3ф.3пр. - для трехфазных трехпроводных счетчиков | |||||||||||||||
Максимальный ток: 7,5A - 7,5 А 60A - 60 А 100A - 100 А | |||||||||||||||
Номинальный (базовый) ток: 1 - 1 А 5 - 5 А 10 - 10 А | |||||||||||||||
Номинальное напряжение: 100В - 3x57.7/100 В 230В - 3x230/400 В | |||||||||||||||
Класс точности: 1 - 1 | |||||||||||||||
