рус / еng
Ставропольский край

Выберите регион

8-800-200-75-27

Сменный модуль предназначен для приема и передачи информации посредством сетей сотовой связи стандарта GSM, 4G (LTE) между приборами учета электроэнергии и другими элементами ИСУЭ.

Сменный модуль СЕ811 предназначен для эксплуатации с приборами учета СЕ210 и СЕ310.

Особенности

  • Построение системы по следующим каналам связи: GSM, 4G (LTE);
  • Замена сменного модуля без вскрытия корпуса прибора учета;
  • Безвинтовое крепление сменного модуля в приборе учета.

Характеристики надежности

  • Диапазон рабочих температур от минус 45°С до плюс 70°С;
  • Средний срок службы сменного модуля не менее 30 лет;
  • Гарантийный срок – 5 лет с даты производства.

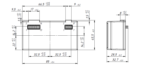
Габаритные размеры (ВхШхГ), не более, мм

  • Габаритные размеры модуля – 85х32,7х45,5;
СЕ811 XXX
             

Обозначение интерфейса сменного модуля:
GS04 – модуль связи GSM/2G+4G LTE;

           
             

Наименование сменного модуля для приборов учета СЕ210 И СЕ310

           

Технические характеристики

Все технические характеристики

Описание

Документация и ПО

Вся документация

Выберите модификацию для сравнения:

Назад