рус / еng
Ставропольский край

Выберите регион

8-800-200-75-27

Ограничители импульсных напряжений (ОИН)

ОИН1, ОИН2

РМЕА 656111.011 ТУ
Предназначены для защиты электрооборудования и бытовых приборов от грозовых и импульсных перенапряжений.
ОИН1 - без индикатора рабочего состояния;
ОИН2 - с индикатором рабочего состояния.

Нормативно-правовое обеспечение

  • Отвечают требованиям ТР ТС 004/2011 «О безопасности низковольтного оборудования», других стандартов и ПУЭ».
  • Отвечает требованиям к защите от перенапряжений по ГОСТ Р 50571.19

Функциональные возможности

ОИН1 - ограничитель импульсных напряжений моноблок с варистором; по заказу световой индикатор наличия напряжения сети.
ОИН2 - ограничитель импульсных напряжений моноблок с варистором, световой индикатор рабочего состояния, световая индикация напряжения сети.

Конструктивные особенности

Ограничитель импульсных напряжений (ОИН) обеспечивает:

  • Максимальное длительное рабочее напряжение 275 В частотой 50 Гц
  • Рабочий потребляемый ток при напряжении 275 В не превышает 0,7 мА
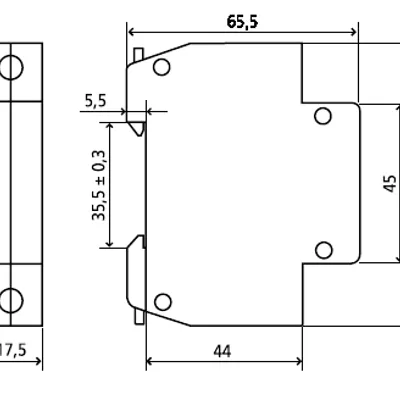
  • Выполнен в виде унифицированного модуля шириной 17,5 мм для монтажа на рейке 35/7мм
  • Выдерживает воздействие импульсов комбинированной волны с напряжением разомкнутой цепи 10,0 кВ и с током короткозамкнутой цепи 5 кА
  • Обеспечивает защиту оборудования от импульсного перенапряжения категории II по ГОСТ Р 50571.19-2000 (уровень напряжения защиты 2,0 кВ)
  • Выдерживает без повреждений воздействие временного перенапряжения 380 В
  • Классификация по тепловой защите: ОИН1 и ОИН2 - без тепловой защиты.
  • Классификация по наличию индикатора состояния:
    ОИН1 - без индикатора;
    ОИН1С (по дополнительному заказу) - со световым индикатором наличия напряжения сети;
    ОИН2 - со световым индикатором рабочего состояния.
  • Классификация по ремонтопригодности: ОИН1 и ОИН2 - моноблочные (неремонтируемые в условиях эксплуатации).
  • Допускает присоединение проводников сечением от 4 до 16 мм
Наименование характеристики Значение параметров
Номинальное напряжение питающей сети, В 220
Номинальный разрядный ток, кА 5
Максимальный разрядный ток, кА 12,5
Остаточное напряжение при номинальном токе не выше, В 2000
Класс испытаний по ГОСТ Р 51992 II
Степень защиты, обеспечиваемая оболочками не ниже IP20
Температура окружающего воздуха, С от -45 до 55
Габаритные разметы, мм 80 x 17,5 x 65,5
Масса, не более, кг 0,12
Гарантийный срок эксплуатации, лет 3

Технические характеристики

Все технические характеристики

Описание

Документация и ПО

Вся документация

Выберите модификацию для сравнения:

Назад