ТУ 4228-033-46146329-2002
Учет активной энергии в трехфазных четырехпроводных цепях переменного тока.
Класс точности: 1.
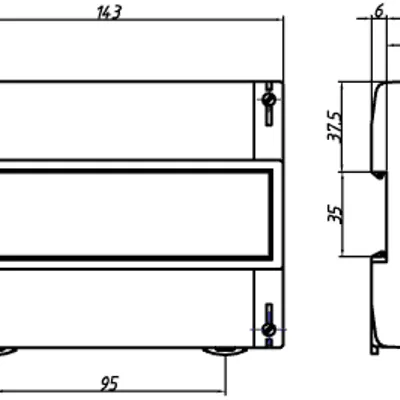
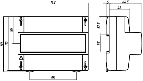
Новый корпус Р31 - для крепления на рейке ТН35.
Полностью соответствует стандартам для размещения счетчиков на рейку.
Обеспечивает размещение в щитовом оборудовании наряду с любым видом коммутационного оборудования в соответствии с DIN-стандартами.
Выпускается с 2007 года.
Снято с производства
Нормативно-правовое обеспечение
- Соответствует ГОСТ Р 52320-2005 (МЭК 62052-11:2003)
- Соответствует ГОСТ Р 52322-2005 (МЭК 62053-21:2003)
- Сертифицированы в России и СНГ
- Внесены в Госреестр средств измерений России
Характеристики надежности
- Средняя наработка на отказ — 160000 часов
- Межповерочный интервал — 16 лет
- Средний срок службы — 30 лет
- Гарантийный срок (срок хранения и срок эксплуатации суммарно) — 4 года с даты выпуска.
Особенности электросчетчика
- Малое собственное энергопотребление
- Возможность крепления как на рейку TH-35
- Световой индикатор работы
- Наличие стандартного телеметрического импульсного выхода
- Защита от недоучета и хищений электроэнергии
- Устойчивость к климатическим, механическим и электромагнитным воздействиям
* — в зависимости от вариантов исполнения, см. структуру условного обозначения электросчетчика
** - в зависимости от класса точности
Наличие стандартного телеметрического выхода позволяет использовать электросчетчики как датчики приращения энергии в автоматизированных измерительных системах (АСКУЭ)
ЦЭ6804 X X X X X Х Х X
|
|||||||||||||||||
Документация
| Руководство по эксплуатации | PDF 409 Kb |
| Формуляр | PDF 161 Kb |




































































